Products
SC105AA1
Swipe left and right more
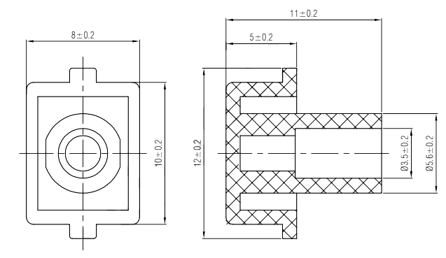
※ DIAGRAM

Welcome to WENZHOU KHAN ELECTRONIC CO.,LTD.
Swipe left and right more
※ DIAGRAM
