Products
SC304
Swipe left and right more
※ SC304AE1
SC3 series with inner size 3×2mm for pushbutton switch | |
| COLOR: | White |
| texture of material: | ABS |
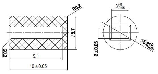
※ DIAGRAM





khancn3
