Products
※ SPECIFICATION
| Contact Rating | 50mA @ DC12V | |||
| Dielectric Strength | AC250V for 1 Minute | |||
| Contact Resistance | 100 mΩ Max. | |||
| Insulation Resistance | 100MΩ Min. | |||
| Life Expectancy | 100,000 cycles cycles | 300,000 cycles cycles | ||
| Travel | 0.25mm ± 0.1mm | |||
TSB06739
Swipe left and right more
※ TSB06739
| Funtion: | Momentary action |
| Contact Arrangement: | SPST, Normally Open |
| Termination: | SMD version |
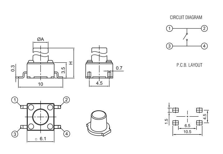
※ DIAGRAM

| H | 4.3 | 4.5 | 4.8 | 5 | 5.5 | 6 | 6.4 | 6.5 | 6.6 | 7 | 7.3 | 7.5 | 8 | 8.5 |
| A | 3.4 | 3.4 | 3.4 | 3.5 | 3.2 | 3.2 | 3 | 3.2 | 3.1 | 3.2 | 3.2 | 3.2 | 3.2 | 3.2 |
| H | 8.8 | 9 | 9.5 | 9.7 | 9.9 | 10 | 10.3 | 10.5 | 11 | 11.5 | 12 | 12.5 | 13 |
| A | 3.1 | 3.1 | 3.2 | 3.1 | 3.2 | 3.2 | 3.2 | 3 | 3.1 | 3.2 | 3.2 | 3.1 | 3.2 |
※ SPECIFICATION
| Contact Rating | 50mA @ DC12V | |||
| Dielectric Strength | AC250V for 1 Minute | |||
| Contact Resistance | 100 mΩ Max. | |||
| Insulation Resistance | 100MΩ Min. | |||
| Life Expectancy | 100,000 cycles cycles | 300,000 cycles cycles | ||
| Travel | 0.25mm ± 0.1mm | |||




khancn3
